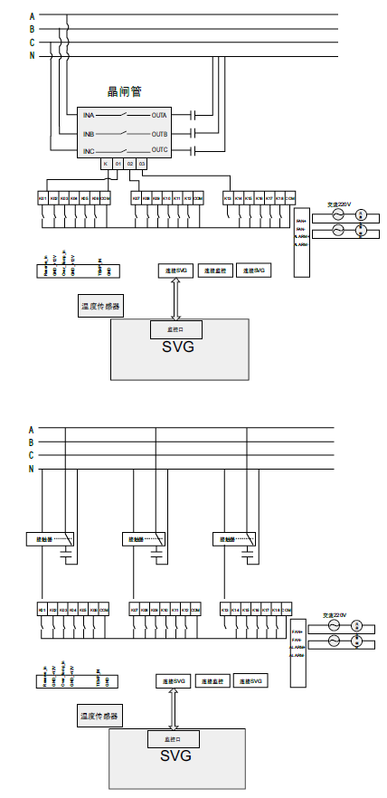
ICMS将SVG与SVGC的功能结合在一起,在SVC系统的基础上,增加了SVG的性能优势,提高整个无功补偿系统的性价比。负载产生的无功有限由SVC进行补偿,动态过程及SVC补偿差由SVG支持,从而保证系统无功补偿的动态精准及补偿效果。
7英寸触摸彩屏,实时显示功率信息,补偿前后的数据及波形图
实时显示数据:ICMS 可实时控制及监测SVG及LC的工作状态,同时在显示屏上可显示电网电压、频率、COSφ、PF、THDU、THDI、有功功率、无功功率、视在功率、SVG工作状态、电容器工作状态等重要参数。
图像查看功能
ICMS具有实时图像显示功能,包括波形图和频谱图两种形式。在图形状态下,操作人员可以根据需要随时放大或缩小图形的大小,以满足不同的查看需求。
波形数据:电网电压波形、电网电流波形、负载电流波形、补偿电流波形、电网电压频谱、电网电流频谱、负载电流频谱。
数据记录功能
ICMS可对各组电容器运行时间、各组电容器投切次数、设备运行时长、历史操作、历史告警、
SVG及LC投切次数和投运时间进行记录。
补偿模式设定功能
ICMS可对三相共补、三相分补、混合补偿进行自由设定;
ICMS可选择晶闸管投切或接触器投切;
可设定电容器组多种投切模式,如:堆栈、正常、循环、智能等模式;
ICMS具有过欠压、过欠频、缺相、过载、过温、谐波电压超标等保护功能。
远程通讯通能
ICMS提供485接口、网口(选配),以满足不同现场对ICMS控制及监控的需求。
具备18路IO口,灵活实现不同SVG+LC的组合模式
在手动投切模式下, 点击电容器下面的白色按钮,即可开通或关断相应的电容器。